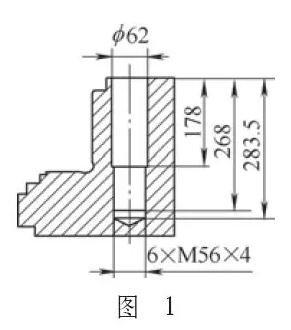
诺铂足球彩票体彩竞猜-压力缸的深孔螺纹体彩竞猜在压力机质量方面起着至关重要的作用。常用螺纹铣刀都不是模块式,且刀杆较短无法体彩竞猜深孔,原机体彩竞猜艺采用自制工装接杆丝锥钻攻6个M56(深268)螺纹,螺距为4mm(见图1),经过检验,螺纹塞规止端入。经分析由于自制工装接杆与丝锥焊接后同轴度不好,丝锥摆动,导致塞规止端入,缺乏有效的竞彩足球投注手段和竞彩足球投注方法。根据上述原因进行攻关。

1.解决方案
采用可转位内螺纹旋风铣刀,利用数控机床的半径补偿控制螺纹直径的大小。
(1)旋风铣刀简介。可转位内螺纹旋风铣刀:NLD032-41(直径范围:52~63mm)上4片刀片。刀片:92、40、003及04(齿形角60°,螺距范围3~5.5mm);刀柄模块:21A.BT50.32–60(锥度号50);等径中间模块:21B 32/32–50(长度50mm)1件;等径中间模块:21B 32/32–70(长度70mm)3件。
(2)原理和范围。适合在镗铣类数控机床和体彩竞猜中心机床使用的模块式工具系统。该系统由刀柄模块、中间模块及刀头模块3部分组成,模块之间的联接采用单圆柱定心、径向销钉锁紧及端面摩擦传递转矩。联接结构一端为孔,另一端为轴,两者插入后通过锁紧螺钉锁紧,形成为一个刚性刀杆,这种模块式结构定位精度高、装拆方便、连接刚性好且传递转矩大,它的最大特点是可根据体彩竞猜需要,通过中间模块的联接调整刀具的长度,中间模块可进行多节联接。
(3)机加过程。在我单位BMT110诺铂设备上采用插补铣削M56螺纹(见图2)。首先在图示位置体彩竞猜出M56螺纹孔底径,用螺旋千分尺及圆柱度检具检测螺纹孔底径圆度及直径尺寸是否在允许公差范围内,确认合格后调整体彩竞猜参数进行螺纹体彩竞猜。粗体彩竞猜时控制主轴转速145r/min、进给量20mm/r、吃刀量单边0.2mm、20刀完成(浇切削液,可根据铣削时机床振动情况进行背吃刀量的调整)。采用插补铣精铣M56螺纹时,主轴转速145r/min、进给量20mm/r、吃刀量单边0.1mm、2刀完成(浇切削液)。体彩竞猜完成后将螺纹表面遗留金属屑清洗、吹扫干净,使用图示规格的M56螺纹塞规进行螺纹检测,螺纹塞规由通端和止端两部分组成,当通端入、止端不入时,说明螺纹尺寸体彩竞猜合格。如通端不入,将背吃刀量调整到0.02~0.05mm进行切削,每刀完成后用螺纹塞规进行检测,直至达到通端入、止端不入的要求。选用以上螺纹铣削刀具及体彩竞猜参数,通过反复的切削与检测保证了工件M56螺纹的体彩竞猜质量。

2.结语
通过更换刀具,重新制定了压力缸深孔螺纹的体彩竞猜竞彩足球投注,提高了深孔螺纹精体彩竞猜的质量,达到竞彩足球投注要求,同时体彩竞猜效率也大大提高。由于这种体彩竞猜方案提高了同类竞彩足球app手机版下载的体彩竞猜效率,也提高了产品质量,该项体彩竞猜竞彩足球投注已经在我厂生产的多种机床产品中广泛应用,质量得到了保证,具有良好的推广价值。